BẢN VẼ SÀN DECK
Bản vẽ sàn deck là tài liệu kỹ thuật không thể thiếu trong quá trình thi công sàn bê tông sử dụng tôn sàn deck thay cốp pha truyền thống. Bản vẽ này thể hiện chi tiết cấu tạo sóng tôn, độ dày, hướng lát, vị trí mối nối, điểm bắn vít và liên kết với dầm – xà gồ. Việc có bản vẽ sàn deck chuẩn giúp kỹ sư và nhà thầu thi công nhanh chóng, chính xác, giảm thiểu hao hụt vật tư và đảm bảo an toàn kết cấu. Đặc biệt, với hệ sóng tiêu chuẩn như H50W1000, bản vẽ càng đóng vai trò then chốt trong việc cắt tôn theo kích thước thực tế và bố trí hợp lý trên công trình. Nếu không có bản vẽ, quá trình thi công dễ gặp lỗi như nối sai điểm chịu lực, lãng phí vật liệu và mất an toàn lao động. Vì vậy, khi lựa chọn sàn deck, bên cạnh chất lượng sản phẩm, hãy yêu cầu nhà cung cấp hỗ trợ đầy đủ bản vẽ kỹ thuật – đây chính là yếu tố quyết định thành công cho mỗi công trình.
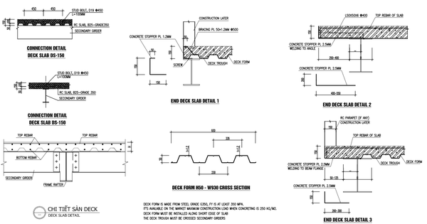
hình 1: Bản vẽ sàn deck thiết kế điển hình
📌 Mục lục
-
Bản vẽ sàn deck là gì?
-
Cấu tạo cơ bản của bản vẽ sàn deck
-
Vai trò của bản vẽ trong thi công
-
Các loại bản vẽ phổ biến: kỹ thuật – shop drawing – layout
-
Mẫu bản vẽ sàn deck tiêu chuẩn H50W1000
-
Những lưu ý quan trọng khi đọc và thiết kế bản vẽ
-
5 lỗi thường gặp khi không có bản vẽ chuẩn
-
Tải bản vẽ sàn deck miễn phí
-
Vì sao nên chọn Trường Lộc – đơn vị hỗ trợ bản vẽ sàn deck tận nơi
-
Kết luận: bản vẽ sàn deck là yếu tố quyết định chất lượng công trình
1. Bản vẽ sàn deck là gì?
Bản vẽ sàn deck là tài liệu kỹ thuật thể hiện chi tiết cấu tạo, kích thước, cách bố trí, và lắp đặt hệ thống tôn sàn deck, dùng để đổ bê tông thay cho cốp pha truyền thống.
Trong bản vẽ sẽ thể hiện rõ:
-
Loại sóng (ví dụ H50, H75)
-
Bước sóng, độ dày tôn
-
Kích thước tấm sàn deck
-
Vị trí cắt, mối nối
-
Bố trí thép, giằng đỡ, dầm phụ
2. Cấu tạo cơ bản của một bản vẽ sàn deck
Một bản vẽ đầy đủ thường bao gồm:
| Thành phần | Nội dung thể hiện |
|---|---|
| Mặt bằng tổng thể | Bố trí tôn sàn trên mặt sàn công trình |
| Chi tiết mặt cắt | Thể hiện hình dáng sóng tôn, cao độ, dày tôn |
| Bản vẽ triển khai | Hướng lát, cách xếp, nối tôn, lỗ bắn vít |
| Ký hiệu và chú thích | Hướng dẫn thi công, loại vật liệu sử dụng |
| Mặt cắt dầm – deck | Liên kết giữa sàn deck và dầm chịu lực |
3. Tại sao bản vẽ sàn deck lại quan trọng đến vậy?
Bản vẽ là cơ sở để:
-
Sản xuất đúng yêu cầu kỹ thuật
-
Cắt tôn theo đúng kích thước công trình, giảm hao hụt
-
Thi công nhanh – chính xác – tiết kiệm nhân công
-
Đảm bảo độ võng và chịu lực theo tiêu chuẩn
-
Tránh sai lệch và giảm thiểu rủi ro trong thi công thực tế
4. Các loại bản vẽ sàn deck phổ biến
Tùy giai đoạn, bản vẽ sàn deck được chia thành:
a. Bản vẽ kỹ thuật (Technical Drawing)
Dùng trong khâu thiết kế kết cấu, thể hiện chính xác sóng deck, độ dày, tải trọng, yêu cầu chịu lực…
b. Bản vẽ triển khai – shop drawing
Phục vụ thi công ngoài hiện trường, có kích thước thực tế, chỉ rõ cách cắt, nối, bắn vít, khoảng cách xà gồ…
c. Bản vẽ layout tổng thể
Dùng để định vị sàn deck trên toàn mặt sàn, thể hiện hướng lát, điểm bắt đầu, cách xếp các tấm deck sao cho ít mối nối nhất.
5. Mẫu bản vẽ sàn deck H50W1000 Trường Lộc
Đây là loại bản vẽ phổ biến nhất hiện nay. Dưới đây là thông số kỹ thuật cơ bản bạn cần biết:
-
Chiều rộng hữu dụng: 1000mm
-
Chiều cao sóng (H): 50mm
-
Độ dày tôn: 0.75mm – 1.2mm
-
Gân tăng cứng: Có
-
Loại tôn: G300 – G550, mạ kẽm nhúng nóng
🔹 [Bạn có thể yêu cầu gửi bản vẽ mẫu miễn phí từ Trường Lộc tại đây!]
6. Những lưu ý khi đọc và thiết kế bản vẽ sàn deck
✅ Luôn xác định chính xác:
-
Hướng lát sàn
-
Vị trí dầm phụ và xà gồ
-
Khoảng cách bắn vít
-
Vị trí mối nối (không nên chồng nối trên dầm chính)
✅ Lưu ý khi đặt hàng:
-
Nên cắt theo chiều dài thực tế sàn để giảm mối nối
-
Sử dụng bản vẽ layout để tối ưu hóa vật tư
7. 5 sai lầm thường gặp khi không có bản vẽ sàn deck chuẩn
❌ Cắt sai kích thước → lãng phí tôn
❌ Lắp đặt không đúng sóng → võng sàn, nứt bê tông
❌ Không đúng vị trí mối nối → giảm khả năng chịu lực
❌ Tốn thêm nhân công, thời gian, chi phí sửa lỗi
❌ Dễ xảy ra mất an toàn lao động khi thi công
8. Tải bản vẽ sàn deck miễn phí
👉 Bạn có thể tải bộ bản vẽ mẫu sàn deck H50W1000, file .DWG và PDF dùng cho thiết kế và thi công tại đây:
🔻 [TẢI BẢN VẼ SÀN DECK MIỄN PHÍ TẠI ĐÂY]
9. Tại sao nên chọn Trường Lộc – đơn vị hỗ trợ bản vẽ tận nơi
Chúng tôi không chỉ cung cấp tôn sàn deck chất lượng cao mà còn:
-
Hỗ trợ tư vấn và dựng bản vẽ theo từng công trình
-
Cắt tôn theo yêu cầu kích thước, giảm tối đa hao hụt
-
Giao hàng tận nơi toàn quốc, đúng tiến độ công trình
-
Có đội kỹ sư kết cấu hỗ trợ shop drawing miễn phí
🔚 Kết luận: Bản vẽ sàn deck – Đầu tư nhỏ, hiệu quả lớn
Một bản vẽ sàn deck đúng và chuẩn là chìa khóa để thi công nhanh, tiết kiệm và an toàn. Dù bạn là kỹ sư, nhà thầu hay chủ đầu tư, đừng bao giờ bỏ qua bước thiết kế bản vẽ chi tiết. Và nếu bạn đang tìm một đơn vị vừa cung cấp sàn deck chuẩn kỹ thuật, vừa hỗ trợ bản vẽ chuyên sâu – Sàn Deck Trường Lộc chính là lựa chọn hàng đầu.
Từ khóa liên quan:
bản vẽ sàn deck H50W1000, bản vẽ sàn deck nhà xưởng, shop drawing sàn deck, triển khai bản vẽ sàn deck, cách bố trí sàn deck, bản vẽ mặt bằng sàn deck
