BẢN VẼ SÀN DECK 17Th04

0 Bình luận

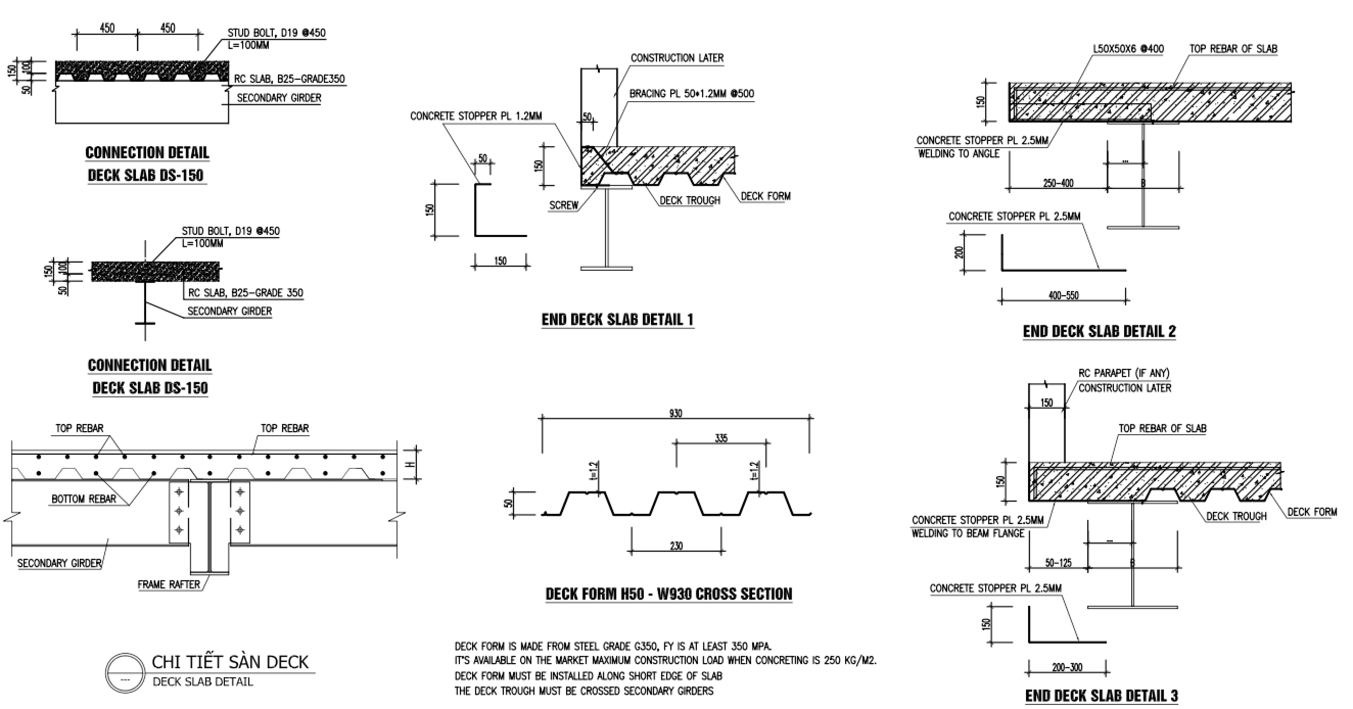
BẢN VẼ SÀN DECK

popup

Số lượng:

Tổng tiền:

Hotline: 0814313668